glossywood

Kérdése van? +3620-409-7992

Kategóriák
glossywood

Kérdése van? +3620-409-7992

  • Kategóriák
    • Akciók
    • Újdonságok
    • Mennyiségi kedvezmények
    • Alvic termékek
    • Gizir termékek
    • Konyha, gardrób vasalatok
    • Bútorfogantyúk
    • Bútor fogasok
    • Bisztró asztallábak
    • Tolóajtó vasalatok
    • Alumínium rendszerek
    • Bútorvilágítás
    • Bútorszerelvények
    • Egyedi gyártás
    • Promóciós termékek
    • Bútorlap élzárók
  • Blog
  • Katalógusok
  • Szabászati megrendelő
Szűrés
Ár (Ft)
260 Ft - 19 545 Ft
Elérhető hosszúságok
Tolóajtó fékerő
Tolóajtó szín
Termék státusza
  1. Tolóajtós szekrények
  1. Tolóajtó vasalatok
  2. Tolóajtós szekrények
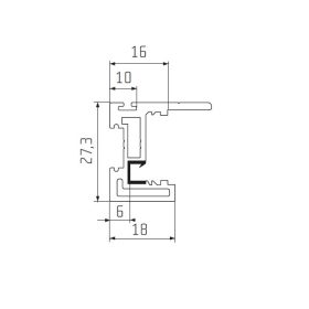
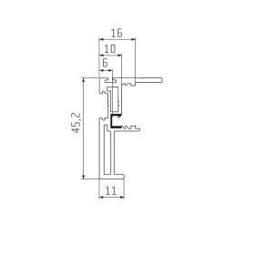
  3. S45 rejtett felső függesztésű rendszer

S45 rejtett felső függesztésű rendszer

Az S45 rejtett felső függesztésű rendszer elegáns, letisztult megoldást kínál tolóajtós szekrényekhez. A vasalat a felső sínen fut, így az ajtólap alul szabadon marad, ami könnyed, modern megjelenést biztosít. Ideális választás gardróbokhoz, beépített szekrényekhez és egyedi bútorokhoz, ahol fontos a csendes, finoman futó ajtómozgás és a látható szerelvények minimalizálása. A kategóriában különböző teherbírású és kivitelű alkatrészek találhatók, így a rendszer könnyen igazítható a szekrény méretéhez és kialakításához, legyen szó otthoni vagy irodai felhasználásról.

Összes termék a kategóriában13 termék
S30-S45 Tolóajtó alsó sín EZÜST

S30-S45 Tolóajtó alsó sín EZÜST

Rendelhető
1 625 Ft + áfa
Egységár: 1 625 Ft/Méter + áfa1
S30-S45 Tolóajtó alsó sín EZÜST

S30-S45 Tolóajtó alsó sín EZÜST

Elérhető hosszúságok:
2 m, 3 m, 4 m, 6 m
Tolóajtó szín:
Ezüst
S45 belső csillapító T25

S45 belső csillapító T25

3 455 Ft + áfa
Egységár: 3 455 Ft/szett + áfa1
S45 belső csillapító T25

S45 belső csillapító T25

T25 T40 T60
S45 belső Tolóajtó belső görgőszett

S45 belső Tolóajtó belső görgőszett

Rendelhető
3 480 Ft + áfa
Egységár: 3 480 Ft/szett + áfa1
S45 felső sín rögzítő

S45 felső sín rögzítő

Rendelhető
205 Ft + áfa
Egységár: 205 Ft/db + áfa1
S45 középső csillapító T25

S45 középső csillapító T25

15 390 Ft + áfa
Egységár: 15 390 Ft/szett + áfa1
S45 középső csillapító T25

S45 középső csillapító T25

T25 T40
S45 külső csillapító T25

S45 külső csillapító T25

3 455 Ft + áfa
Egységár: 3 455 Ft/szett + áfa1
S45 külső csillapító T25

S45 külső csillapító T25

T25 T40 T60
S45 külső Tolóajtó külső görgőszett

S45 külső Tolóajtó külső görgőszett

Rendelhető
4 965 Ft + áfa
Egységár: 4 965 Ft/szett + áfa1
S45 összekötő profil

S45 összekötő profil

Rendelhető
5 800 Ft + áfa
Egységár: 5 800 Ft/Méter + áfa1
S45 összekötő profil

S45 összekötő profil

Elérhető hosszúságok:
2 m, 3 m, 4 m
Tolóajtó szín:
Ezüst
S45 Porvédő

S45 Porvédő

Rendelhető
3 645 Ft + áfa
Egységár: 3 645 Ft/Méter + áfa1
S45 Porvédő

S45 Porvédő

Elérhető hosszúságok:
1 m, 2 m
S45 Tolóajtó felső sín EZÜST

S45 Tolóajtó felső sín EZÜST

Rendelhető
5 550 Ft + áfa
Egységár: 5 550 Ft/Méter + áfa1
S45 Tolóajtó felső sín EZÜST

S45 Tolóajtó felső sín EZÜST

Elérhető hosszúságok:
2 m, 3 m, 4 m, 6 m
Tolóajtó szín:
Ezüst
S45A Tolóajtó belső fogantyú profil 2,7 m EZÜST

S45A Tolóajtó belső fogantyú profil 2,7 m EZÜST

Rendelhető
7 495 Ft + áfa
Egységár: 2 776 Ft/Méter + áfa2.7
S45A Tolóajtó belső fogantyú profil 2,7 m EZÜST

S45A Tolóajtó belső fogantyú profil 2,7 m EZÜST

Elérhető hosszúságok:
2,7 m
Tolóajtó szín:
Ezüst
S45A Tolóajtó külső fogantyú profil 2,7 m EZÜST

S45A Tolóajtó külső fogantyú profil 2,7 m EZÜST

Rendelhető
9 845 Ft + áfa
Egységár: 3 646 Ft/Méter + áfa2.7
S45A Tolóajtó külső fogantyú profil 2,7 m EZÜST

S45A Tolóajtó külső fogantyú profil 2,7 m EZÜST

Elérhető hosszúságok:
2,7 m
Tolóajtó szín:
Ezüst
 

Az S45 rejtett felső függesztésű rendszer kifejezetten tolóajtós szekrényekhez tervezett megoldás, amely a funkcionalitást és az esztétikus megjelenést egyszerre helyezi előtérbe. A rendszer lényege, hogy az ajtólapok a felső sínen futnak, a vasalat pedig rejtve marad, így a szekrény eleje letisztult, zavaró elemek nélküli képet mutat. Ez különösen előnyös modern, minimalista enteriőrökben, ahol a bútoroknak harmonikusan kell illeszkedniük a térbe.

Az ebbe a kategóriába tartozó megoldások úgy lettek kialakítva, hogy a tolóajtók könnyen, kis erőhatással mozgathatók legyenek, miközben a futás stabil és megbízható marad. A felső függesztés csökkenti az alsó vezetés igényét, így nincs szükség hangsúlyos alsó sínre az ajtó előtt, ami megkönnyíti a takarítást, és kényelmesebb használatot biztosít a mindennapokban. A rejtett rögzítés esztétikai szempontból is előnyös: az ajtófelület maradhat homogén, jól illeszthetők hozzá különböző frontanyagok, például laminált lap, MDF vagy üveg betétekhez kialakított keretek.

A kategóriában megtalálhatók a rendszerhez szükséges főbb elemek, például felső sínek, függesztőkocsik, rögzítőelemek és kiegészítők, amelyek együtt biztosítják a tartós, biztonságos működést. A különböző teherbírási osztályoknak köszönhetően az S45 rendszer többféle ajtóvastagsághoz és -mérethez illeszthető, így kisebb hálószobai szekrényekhez és nagyobb, mennyezetig érő gardróbokhoz egyaránt használható. A jól megválasztott vasalat nemcsak az ajtó súlyát viseli el biztonságosan, hanem hosszú távon is stabil futást nyújt.

Az S45 rejtett felső függesztésű rendszer különösen előnyös olyan helyiségekben, ahol fontos a helytakarékosság. A tolóajtók nem nyílnak be a térbe, így könnyebb a bútorokat, ágyat vagy íróasztalt a szekrény közelében elhelyezni. Ez a megoldás kis alapterületű lakásokban, garzonokban vagy tetőtéri szobákban is praktikus, ahol minden centiméter számít. Emellett irodai környezetben is jól használható iratszekrényekhez vagy tárolóegységekhez, ahol a csendes, zökkenőmentes ajtómozgás kifejezetten előnyös.

A rendszer egyik fontos szempontja a komfortos használat. A minőségi futómű és a megfelelően kialakított sínrendszer hozzájárul a halk működéshez, ami különösen hálószobákban és gyerekszobákban értékelhető. A stabil vezetés csökkenti az ajtólap kilengését, ezáltal a mindennapi használat biztonságosabb és kényelmesebb. A legtöbb megoldás úgy van tervezve, hogy a szerelés átlátható lépésekre bontható, így a szakemberek gyorsan, hatékonyan tudják beépíteni a rendszert az elkészült szekrénytestbe.

Az S45 rejtett felső függesztésű rendszer sokféle bútorstílushoz illeszthető. Jól működik klasszikus, faerezetes frontokkal, de kifejezetten harmonizál a modern, magasfényű felületekkel és a sötétebb, karakteres színekkel is. A rejtett vasalat különösen akkor előnyös, ha a frontok kialakításánál a letisztult, nagyméretű felületek vagy a dekoratív fogantyúk kerülnek előtérbe, mivel nem töri meg a látványt egy erőteljes sínrendszer.

A kategória termékei között általában többféle hosszúságú sín és különböző kialakítású függesztőkocsi érhető el, így a rendszer könnyen igazítható a konkrét bútorprojekt igényeihez. A megfelelő kombináció kiválasztásával optimalizálható a teherbírás, a futás minősége és a beépítési mód. A jól megtervezett S45 rendszer nemcsak a mindennapi használatot teszi kényelmesebbé, hanem a bútor teljes élettartamára hatással van: egy stabil, megbízható tolóajtó-megoldás hosszú éveken át szolgálhat.

Összességében az S45 rejtett felső függesztésű rendszer olyan tolóajtós szekrényekhez ajánlható, ahol a letisztult design, a helytakarékos kialakítás és a megbízható működés egyaránt fontos. A kategóriában elérhető alkatrészek segítségével könnyen összeállítható egy olyan megoldás, amely illeszkedik a bútor méretéhez, stílusához és a helyiség adottságaihoz, miközben hosszú távon is kényelmes, halk és biztonságos használatot biztosít.

Vásárlói fiók
  • Belépés
  • Regisztráció
  • Profilom
  • Kosár
  • Kedvenceim
Információk
  • Általános szerződési feltételek
  • Adatkezelési tájékoztató
  • Fizetés
  • Szállítás
  • Elérhetőségek
Glossy Wood Kft.

Várjuk üzletünkben!

  • 1106 Budapest, Maglódi út 47.
  • +3620-409-7992
  • info@glossywood.hu
  • H-P 8:00-15:00
  • facebook

  • pinterest

  • instagram

Iratkozzon fel hírlevelünkre!

Iratkozzon fel hírlevelünkre!

Érdemes feliratkozni, így sosem marad le a kedvezményekről, akciókról!

Feliratkozás
Alvic
Nomet
Gizir
SALU
Számlázó Program és CRM Program
sixpayment
  • Akciók
  • Újdonságok
  • Mennyiségi kedvezmények
  • Alvic termékek
  • Gizir termékek
  • Konyha, gardrób vasalatok
  • Bútorfogantyúk
  • Bútor fogasok
  • Bisztró asztallábak
  • Tolóajtó vasalatok
  • Alumínium rendszerek
  • Bútorvilágítás
  • Bútorszerelvények
  • Egyedi gyártás
  • Promóciós termékek
  • Bútorlap élzárók
  • Blog
  • Katalógusok
  • Szabászati megrendelő
Belépés
Regisztráció
Adatkezelési beállítások
Weboldalunk az alapvető működéshez szükséges cookie-kat használ. Szélesebb körű funkcionalitáshoz (marketing, statisztika, személyre szabás) egyéb cookie-kat engedélyezhet. Részletesebb információkat az Adatkezelési tájékoztatóban talál.
A működéshez szükséges cookie-k döntő fontosságúak a weboldal alapvető funkciói szempontjából, és a weboldal ezek nélkül nem fog megfelelően működni. Ezek a sütik nem tárolnak személyazonosításra alkalmas adatokat.
A marketing cookie-kat a látogatók weboldal-tevékenységének nyomon követésére használjuk. A cél az, hogy releváns hirdetéseket tegyünk közzé az egyéni felhasználók számára (pl. Google Ads, Facebook Ads), valamint aktivitásra buzdítsuk őket, ez pedig még értékesebbé teszi weboldalunkat.
Az adatok névtelen formában való gyűjtésén és jelentésén keresztül a statisztikai cookie-k segítenek a weboldal tulajdonosának abban, hogy megértse, hogyan lépnek interakcióba a látogatók a weboldallal.
A személyre szabáshoz használt cookie-k segítségével olyan információkat tudunk megjegyezni, amelyek megváltoztatják a weboldal magatartását, illetve kinézetét.